FRONT DESIGN TALK

銀座という特別なロケーションにふさわしい
温もりと品格のピンクブロンズ。

ピアース銀座レジデンス|PIAS GINZA RESIDENCE

ピアース銀座レジデンス|PIAS GINZA RESIDENCE

国内外から多くの人が訪れる洗練された商業施設や文化が集積する銀座エリアでは、建築物にも高いデザイン性と品格が求められます。
2025年の夏に竣工したピアース銀座レジデンスは、直線と曲線の要素が織り交ざりあった都会的で洗練されたデザインで、街並みの一部として馴染みながらも、確かな存在感を放っています。

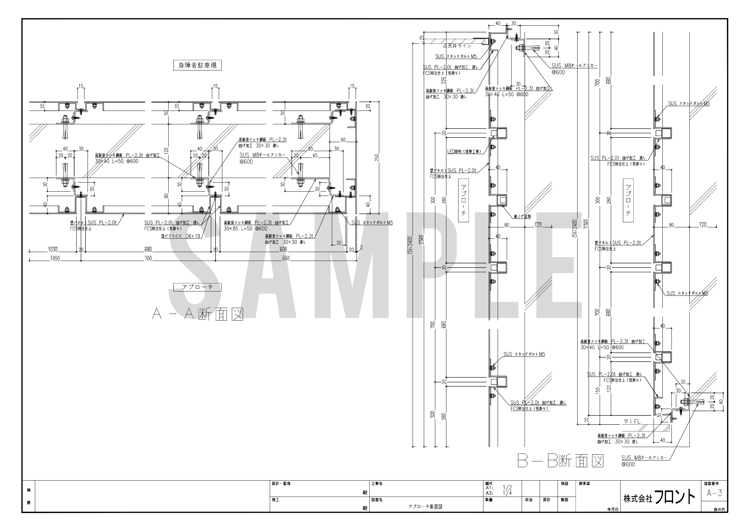
今回のこの物件で弊社は、アプローチからエントランスにかけて交差したLEDが輝くピンクブロンズ色の金属パネルと、曲線パネルの間を縫うように10階までのびる柱部分の金属パネルを施工いたしました。

これらのパネルの製作において、弊社が特に工夫を重ねたのはLED照明が交差する部分のパネル構成です。パネルとLED照明をどう取り合わせるのか繰り返し検討し、照明ラインが途切れることなく美しく見えるよう、ディティールにこだわりました。パネルの割り付けを細かく調整しながら施工を行ったことで、LED照明のラインが金属パネルを柔らかく照らしながらシャープに浮かび上がる印象的なアプローチとなりました。

仕上においても、デザイナーの方と事業主様のこだわりを反映できるよう試行錯誤を重ねました。
多くの検討を重ねて採用された仕上は、上品でありながら親しみやすく、華やかでありながら落ち着いているピンクブロンズ色。柔らかな温もりと金属ならではの品格をあわせ持つこの色は、白色が多くを占めるこの建物のファサードに柔らかな彩りを添えています。
この仕上げを誕生させるために、照明が当たった際の色味の変化や、周囲の環境とのバランスを考慮し、複数のサンプルを通して細かな調整を重ねました。
その結果、光の当たり方によって表情を繊細に変え、朝の自然光の中では穏やかに、照明の下ではしっとりとした艶を帯びる—そんな奥行きのある魅力を備えた仕上となりました。華美になりすぎず、静かな寛ぎへと導くこの仕上はフロントの新たな自信作です。

銀座という特別なロケーションにふさわしい外観を実現するため、おさまりから色味、光との関係性に至るまで、丁寧に仕上げた物件です。
細部への配慮が積み重なることで、街並みに溶け込みながら、記憶に残る佇まいを静かに描いていくことを願っております。

材質:ステンレス
施工箇所:アプローチ壁パネル、柱パネル
仕上:フロントクラフト特注仕上

設計:有限会社A.A.E
施工会社: 株式会社ノバック
竣工: 2025年8月
場所:東京都中央区銀座8丁目

参考資料